欢迎光临佛山市long8风机设备有限公司官网!

高端不锈钢风机设备制造厂家

不止好产品 · 更有全面的解决方案 n1.png

0757-86447962

13798645908

不锈钢离心风机
您当前的位置 : 首 页 > 产品中心 > WDF型多翼式高温风机

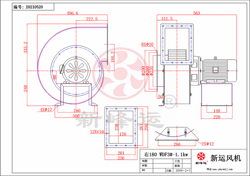
WDF3-1.1kw 多翼式高温风机

  • 风机性能参数:

    转速:1450转

    流量:2031-3900m3/h

    压力:650-550pa

    耐温≤180℃

    材质:碳钢、不锈钢201#、304#


    最近修改时间:2023-11-25

  • 产品概述
  • 性能特点
  • 技术参数

风机的用途:    


    1、针对干燥行业、锅炉行业、清洗行业、涂装行业、食品烘干行业配套而研发的自主产品__耐高温离心风机。WDF型是多翼式风机,对输送的介质有一定要求, 是食品消毒行业配套风机。

    2、WDF型使用温度在150℃-180℃之间。  

    3、输送的气体为空气或其他不自燃、不自爆、无缠绕性、对人体无害、对钢铁材料无腐蚀之气体。也可作为各行业输送无腐蚀性、不自燃、不含粘性物质的热气、蒸气、烟气。其它性能相近者亦可选用,但输送介质的温度不得超过其额定温度范围。 

    4、气体内不许有粘性物质,所含的尘土及硬质颗粒不大于150mg/m3。如含尘土量大,在风机前必须加装准备就绪不低于85%的除尘装置,降低进入风机的烟气含尘量,以利提高风机寿命。 

风机的安装形式: 

    1、此风机有两种形式。从电机一侧正视,叶轮顺时针旋转者称右旋风机,以“右”表示;叶轮逆进针旋转者称左旋风机,以“左”表示。 

    2、风机的出口位置,以机壳的出风口角度表示。风机№1.5~8.3出厂时均做成一种可调型式,使用单位根据要求再安装成所需要的位置。出风口位置调整范围是0°~270°,间隔是45°。传动方式均为“A”式直联传动。 

风机的结构特点: 

    1、风机主要由叶轮、机壳、进风口、电机、连接器、散热风叶等部分组成。 

    2、WDF型叶轮采用多翼式单进离心叶轮,用优质的镀锌板或冷轧钢板制成,叶片依据空气动力原理设计。材料用强度高、耐用性好的优质钢板制造,并经严格的动、静平衡校正。空气性能良好,效率高,运转平稳。 

    3、进风口采用收敛流线型减涡形式,气流损失较小,风机的工作效率高。 

    4、风机机壳与电机以金属铸件安装连接,电机轴头上安装散热风叶,金属铸件的外壁上开设进、出水管接口,对金属铸件与轴头进行降温,确保电机在高温下正常运行。 

    5、其电机采用特殊高温电机,风机流体部分采用耐温材料,降温结构性能可靠。相比其实锅炉引风机,WDF型结构简单,维护方便,性价比高等优点。 

订货须知: 

    订货时请注明风机的规格型号、需配电机功率及转速、出风口角度和风机的旋转方向。




产品安装尺寸图



带槽钢底座:

WDF3#-1.1KW-3-Model.png



WDF3#-1.1KW-1-Model.png



WDF3#-1.1KW-2-Model.png




不带脚座:

WDF3#-1.1KW-1-Model.png



WDF3#-1.1KW-2-Model.png



WDF3#-1.1KW-3-Model.png




带脚座:

WDF3#-1.1KW-4-Model.png



WDF3#-1.1KW-5-Model.png



WDF3#-1.1KW-6-Model.png





耐高温离心式风机哪家好

厂家实力.jpg


不锈钢风机厂家分析多翼式高温风机优点有哪些?

输送具有相同功率时,直流输电技术所用线材仅为学生交流进行输电的2/3~1/2。直流输电过程中采用两线制,以大地或海水作回线,多翼式高温风机与采用一个三线制三相交流输电方式相比,在输电线截面积基本相同和电流通过密度达到相同的条件下,即使不考虑趋肤效应,也可以提高输送能力相同的电功率,而输电线和绝缘结构材料可节约1/3.

如果考虑皮效应和各种损耗(绝缘材料的介电损耗,磁感应的涡流损耗,架空线路的电晕损耗等。 ),用于输送相同功率交流的导线的截面积大于或等于用于直流输电的导线截面积的1.33倍。 因此,用于直流输电的导线几乎是交流输电的一半。 同时,直流输电塔的结构比同容量的三相交流输电简单,线路走廊占地面积少。


风机的结构特点: 

    1、风机主要由叶轮、机壳、进风口、电机、连接器、散热风叶等部分组成。 

    2、WDF型叶轮采用多翼式单进离心叶轮,用优质的镀锌板或冷轧钢板制成,叶片依据空气动力原理设计。材料用强度高、耐用性好的优质钢板制造,并经严格的动、静平衡校正。空气性能良好,效率高,运转平稳。 

    3、进风口采用收敛流线型减涡形式,气流损失较小,风机的工作效率高。 

    4、风机机壳与电机以金属铸件安装连接,电机轴头上安装散热风叶,金属铸件的外壁上开设进、出水管接口,对金属铸件与轴头进行降温,确保电机在高温下正常运行。 

    5、其电机采用特殊高温电机,风机流体部分采用耐温材料,降温结构性能可靠。相比其实锅炉引风机,WDF型结构简单,维护方便,性价比高等优点。 


WDF3#-1.1kw多翼式高温风机技术参数


cs.jpg



WDF3#-1.1kw多翼式高温风机性能曲线



本文网址:/product/753.html
下一篇:WDF2.8-4kw 多翼式高温风机2025-05-21

最近浏览:

相关产品

相关新闻

业务电话:0757-8644-7962

固话:0757-8644-7930

邮箱:fsxinyun@163.com

地址:广东佛山市南海区罗村塱沙工业园

联系咨询热线

0757-8644-7962

欢迎您来电咨询

COPYRIGHT ?佛山市long8风机设备有限公司 ALL RIGHTS RESERVED 备案号: 粤ICP备13065636号 主要从事于不锈钢风机厂家,不锈钢高温风机,不锈钢离心风机, 欢迎来电咨询!