欢迎光临佛山市long8风机设备有限公司官网!

高端不锈钢风机设备制造厂家

不止好产品 · 更有全面的解决方案 n1.png

0757-86447962

13798645908

不锈钢离心风机
您当前的位置 : 首 页 > 产品中心 > WQE型高温风机

WQE2.8-1.1kw 高温风机

  • 风机性能参数:

    转速:2900转

    流量:1131-2356m3/h

    压力:828-504pa

    风冷型耐温≤180℃、水冷型耐温≤230℃

    材质:碳钢、不锈钢304#


    最近修改时间:2023-11-25


  • 产品概述
  • 性能特点
  • 技术参数

风机的用途:    

    1、针对干燥行业、锅炉行业、清洗行业、涂装行业、食品烘干行业配套而研发的自主产品__耐高温离心风机。 

    2、WQE型使用温度在150℃-250℃之间。 如输送温度超过180 ℃应接通水管降温,确保风机寿命。  

    3、输送的气体为空气或其他不自燃、不自爆、无缠绕性、对人体无害、对钢铁材料无腐蚀之气体。也可作为各行业输送无腐蚀性、不自燃、不含粘性物质的热气、蒸气、烟气。其它性能相近者亦可选用,但输送介质的温度不得超过其额定温度范围。 

    4、气体内不许有粘性物质,所含的尘土及硬质颗粒不大于150mg/m3。如含尘土量大,在风机前必须加装准备就绪不低于85%的除尘装置,降低进入风机的烟气含尘量,以利提高风机寿命。 

风机的安装形式: 

    1、此风机有两种形式。从电机一侧正视,叶轮顺时针旋转者称右旋风机,以“右”表示;叶轮逆进针旋转者称左旋风机,以“左”表示。 

    2、风机的出口位置,以机壳的出风口角度表示。风机№1.5~8.3出厂时均做成一种可调型式,使用单位根据要求再安装成所需要的位置。出风口位置调整范围是0°~270°,间隔是45°。传动方式均为“A”式直联传动。 

风机的结构特点: 

    1、风机主要由叶轮、机壳、进风口、电机、连接器、散热风叶等部分组成。 

    2、WDF型叶轮采用多翼式单进离心叶轮,用优质的镀锌板或冷轧钢板制成,叶片依据空气动力原理设计。WQE型叶轮由10个后倾机翼型叶片、曲线型前盘和平板后盘组成。材料用强度高、耐用性好的优质钢板制造,并经严格的动、静平衡校正。空气性能良好,效率高,运转平稳。 

    3、进风口采用收敛流线型减涡形式,气流损失较小,风机的工作效率高。 

    4、风机机壳与电机以金属铸件安装连接,电机轴头上安装散热风叶,金属铸件的外壁上开设进、出水管接口,对金属铸件与轴头进行降温,确保电机在高温下正常运行。 

    5、其电机采用特殊高温电机,风机流体部分采用耐温材料,降温结构性能可靠。相比其实锅炉引风机,WQE型结构简单,维护方便,性价比高等优点。 

订货须知: 

    订货时请注明风机的规格型号、需配电机功率及转速、出风口角度和风机的旋转方向。




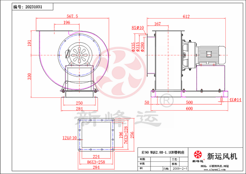
产品安装尺寸图


带槽钢底座:

WQE2.8#-1.1KW-1-Model.png



WQE2.8#-1.1KW-2-Model.png



WQE2.8#-1.1KW-3-Model.png



不带脚座:

WQE2.8#-1.png







耐高温风机

厂家实力.jpg


风机的结构特点: 

    1、风机主要由叶轮、机壳、进风口、电机、连接器、散热风叶等部分组成。 

    2、WDF型叶轮采用多翼式单进离心叶轮,用优质的镀锌板或冷轧钢板制成,叶片依据空气动力原理设计。WQE型叶轮由10个后倾机翼型叶片、曲线型前盘和平板后盘组成。材料用强度高、耐用性好的优质钢板制造,并经严格的动、静平衡校正。空气性能良好,效率高,运转平稳。 

    3、进风口采用收敛流线型减涡形式,气流损失较小,风机的工作效率高。 

    4、风机机壳与电机以金属铸件安装连接,电机轴头上安装散热风叶,金属铸件的外壁上开设进、出水管接口,对金属铸件与轴头进行降温,确保电机在高温下正常运行。 

    5、其电机采用特殊高温电机,风机流体部分采用耐温材料,降温结构性能可靠。相比其实锅炉引风机,WQE型结构简单,维护方便,性价比高等优点。 



WQE2.8#-1.1kw高温风机技术参数


cs.jpg





WQE2.8#-1.1kw高温风机性能曲线


WQE2.8#-1.1kw.png





本文网址:/product/701.html
上一篇:WQE2.8-P-1.5kw 高温风机2023-12-06
下一篇:没有了

最近浏览:

业务电话:0757-8644-7962

固话:0757-8644-7930

邮箱:fsxinyun@163.com

地址:广东佛山市南海区罗村塱沙工业园

联系咨询热线

0757-8644-7962

欢迎您来电咨询

COPYRIGHT ?佛山市long8风机设备有限公司 ALL RIGHTS RESERVED 备案号: 粤ICP备13065636号 主要从事于不锈钢风机厂家,不锈钢高温风机,不锈钢离心风机, 欢迎来电咨询!